My Work

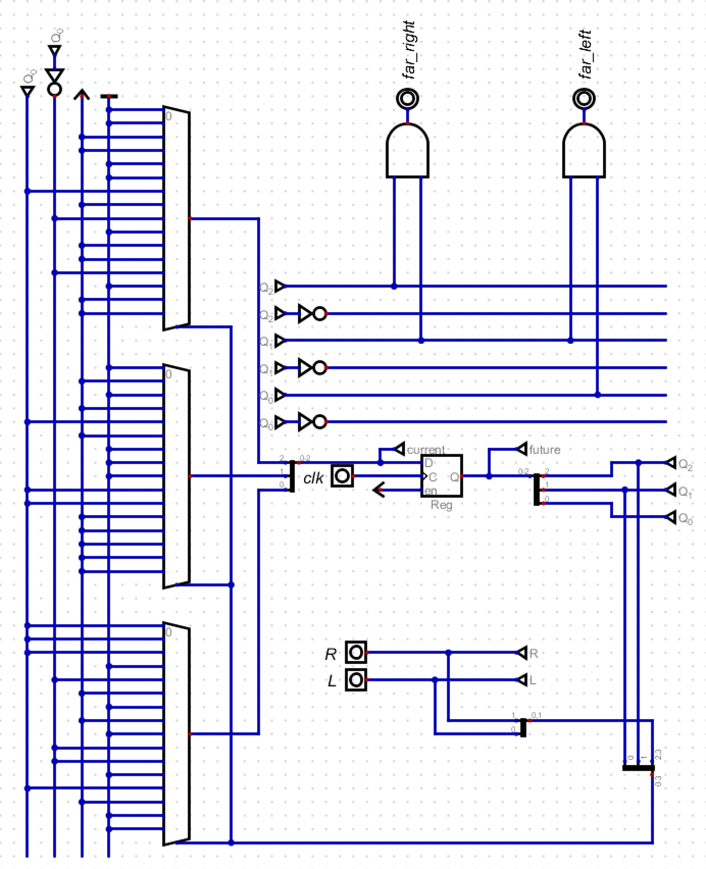
Autonomous Wheelchair

Utilizing a finite state machine to automate the lateral movement of an automated wheelchair.

  • Digital Design
  • Finite State Machine
  • Logic and Flip-Flops
Circuit

Automated Fire Extinguisher

Removes the human judgement from fire safety and ensures an effective and automated approach to putting out fires.

  • Arduino
  • C++
  • Mechanical Gearbox
CAD Design

An Investigation on Magnetic Field and Temperature 

The aim of this investigation is to explore the fundamental limitations of the charges in atoms that induce magnetism by analyzing stimuli that can affect the magnetic field, in this sense, temperature.

  • Vernier Logger Pro 3
  • Electromagnetism
  • Biot-Savart Law

Data

About Me

I am a second-year student at ASU studying electrical engineering seeking an entry-level position to begin my career in a high-level professional environment. I have particular interest in power systems and energy generation and look forward to any opportunities ahead!

My Resume